热线电话:
0755-29781756
业务咨询:
13421358817
技术服务:
13554721468
座机:0755-29781756
0755-29781757
传真:0755-29767859
邮箱:gnesun@gnesun.com
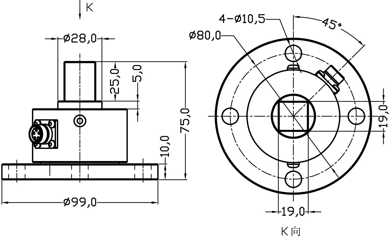
地址:深圳市宝安区航城街道洲石路596号2栋3楼扭矩式传感器GNS-NT03
产品型号:GNS-NT03
产品量程:0~20,50,100,200,300,500Nm
产品介绍
外形尺寸:

技术参数:
额定载荷 Rated capacities(Emax) | 0~20,50,100,200,300,500Nm |
灵敏度Sensitivity | 1.5mV/V±10% |
综合误差 Total error | ±0.1 %F.S |
蠕变(30分钟)Creep error(30min) | ±0.05 %F.S |
零点平衡 Zero balance | ±1 %F.S |
零点温度影响 TCO | ±0.05 %F.S/10℃ |
输出温度影响 TC SPAN | ±0.05 %F.S/10℃ |
输入阻抗 Input impedance | 350,750±10Ω(ohms) |
输出阻抗 Output impedance | 350,700±5Ω(ohms) |
绝缘电阻Insulation impedance | ≥5000MΩ |
温度补偿范围Temperature range,compensated | -10℃~+60℃ |
工作温度范围Temperature range,operating | -20~+80℃ |
安全过载Maximum safe overload | 150%F.S |
极限过载Ultimate overload | 200%F.S |
推荐激励电压Excitation,recommend | 9~10V DC |
最大激励电压Excitation maximum | 15V DC |
密封等级 Protection Class | IP68 |
材质 Construction | 铝合金Aluminium alloy ;不锈钢Stainless Steel |
电缆 Cable | Length:3m Diameter: Ф5.2mm |
中文
ENGLISH

